产品分类

热门关键词

2020欧洲杯下注官网

江西银杉超材科技股份有限公司

网址:m.fyshukong.com

地址:江西省吉安市安福县工业园区振兴大道

☎电话:(0796)7636 266

✍传真:(0796)7635 777

客服热线:(0796)7636 266


南昌办:南昌市青山湖区南昌大学科技园589号

☎电话:(0791)8851 1882

手机:135 7604 3305

✍传真:(0791)8851 1882

邮箱: jxysbsn@163.com

客服热线:(0791)8851 1882


江西银杉欧洲杯软件 (集团)景德镇乐平工厂

☎电话:(0798)6701658

✍传真:(0791)6701999

客服热线:(0791)88511882

地址:江西省景德镇乐平塔山工业园

山东快硬硫铝水泥42.5

山东快硬硫铝水泥42.5

  • 所属分类:山东硫铝水泥

  • 点击次数:
  • 发布日期:2024/05/11
  • 2020年欧洲杯彩票
详细介绍

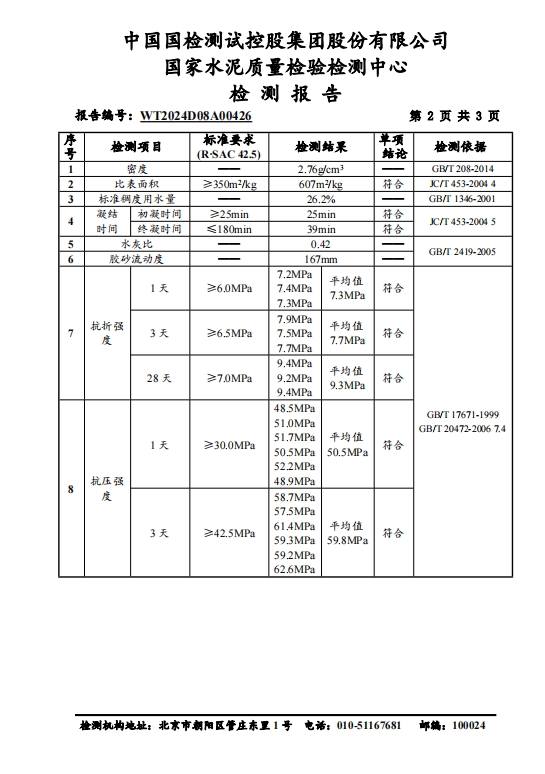
42.5快硬硫铝酸盐水泥产品简介以适当成分的生料,经煅烧所得以无水硫铝酸钙和硅酸二钙为主要矿物成分的水泥熟料和石灰石、适量石膏共同磨细制成的,具有早期强度高的水硬性胶凝材料,代号R.SAC。强度等级以三天抗压强度表示,分为425、525、625、725四个等级。技术指标①比表面积(M2/kg):≥350②凝结时间(min):初凝≥20;终凝≤180;凝结时间可根据用户要求调整;主要性能①早强、高强:一天抗压强度达到35~50MPa,三天达到50~70MPa,随着养护龄期增长强度还不断增长。②高抗冻性:在0~10℃低正温使用,早期强度是波特兰水泥的5~6倍;在0~-20℃加少量外加剂,3~7天强度可达到设计标号的70~80%,冻融循环300次,强度损失不明显;③高抗渗性:水泥石结构致密,混凝土抗渗性能是同标号硅酸盐水泥的2~3倍;④抗碳化性能好,干缩率低;⑤抗腐蚀性能好,尤其是抗海水腐蚀性能优于高抗硫波特兰水泥,抗腐蚀系数大于1。主要用途①冬季施工工程;②抢修抢建工程;③喷锚支护工程;④水工海工工程;⑤桥梁道路工程;⑥水泥制品与预制构件生产;⑦工业与民用建筑



相关标签:抗裂双快,高贝利特硫铝水泥,双快水泥

上一篇:没有了
下一篇: 没有了

最近浏览:

相关产品:

相关新闻:

在线客服
分享 一键分享